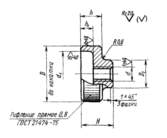
Гайка с накаткой ГОСТ 14726-69
Имеем возможность изготовления гайки с накаткой, предназначенной для станочных приспособлений. Производится данное изделие с диаметром резьбы М5-М12 мм. Материал-сталь марки 45, покрытие хим.окс.прм. Гайка с накаткой применяется в условиях высоких механических нагрузок и обеспечивает надежное соединение деталей. При наличии у вас потребности в данной гайке можете направить запрос на любую электронную почту или оставить заявку на сайте.
Адреса
Москва, 347931, Ростовская обл., Таганрог, пер. 15-й Артиллерийский, д. 46
Город:









